購物車
0

飲料調製-乙級的技能檢定教室規劃,需兼顧法規標準、設備配置與操作效率。茂詮餐飲設備以專業整合能力,打造出符合勞動部技能檢定中心標準的飲調教室,協助教育機構與培訓中心具備檢定環境品質與功能完整性。


一、場地與人數配置標準

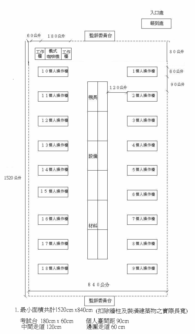
技能檢定教室需具備**至少 15 坪(約 50 平方公尺)**以上面積並裝設空調,以提供舒適的操作環境。場地必須能容納 18 組考生,每組考生應有獨立座位與操作台。這些配置不僅符合空間需求,也確保教室內人員之間擁有足夠操作距離,避免互相干擾。


二、檢定設備與機具標準

  1. 操作台(800 × 600 公分):配置 18 組,包括可折疊桌腳、夾層設計,並搭配座椅供應考生撰寫檢定表件。

  2. 儲冰槽:塑膠材質,容量至少 20 公斤,需具蓋。

  3. 開飲機:容量需達 10 公升以上,開水溫度應持續保持 95℃ 以上以利飲品溫控。

  4. 果汁機或冰沙機:需具備碎冰功能,並配有足夠長度的延長線以確保每組操作台使用便利。

  5. 義式咖啡機(雙口,鍋爐容量 ≥ 10 公升):共配置 3 台(含一台備用)。

    • 每台咖啡機需配套平底不鏽鋼填壓器(Flat Tamper)、單杯與雙杯濾器把手(Filter Holder)等完整操作器具。

  6. 義式咖啡磨豆機:豆槽容量需達 450 克以上,配置 4 台(含一台備用),置於咖啡機旁,並附清潔刷具。

此高標準設備配置確保考生可完整模擬實務操作流程,符合檢定要求。

 

三、規劃原則與檢定流程支持

飲調檢定教室設計需符合法規與實務需求:

  • 依據技能檢定中心「術科測試場地與機具設備評鑑自評表」進行配置設計,確保每一設備與面積皆符合標準。MKE

  • 動線設計應從進場、操作、評審流暢進行,避免設備擺放阻塞或干擾評審。

  • 設備材質與清潔須考量衛生與維護方便性,建議採用耐用、不銹鋼或易潔塑料材質。

  • 考場內每項機具需明確標示與備份裝置,以備應檢時間滿足需求與避免突發狀況影響考試進行。

 

四、茂詮的整合服務優勢

茂詮擁有強大的餐飲設備整合團隊,服務內容涵蓋:

  • 現場丈量與場地需求評估

  • 依檢定標準提供完整設備清單與配置建議

  • 製作 3D 模擬圖件,提前確定動線與設備擺放

  • 施工監造及設備安裝調試

  • 協助考場送審與法規符合性確認

  • 售後支援與教育訓練,讓使用與維護更順暢

 

 

飲調-乙級技能檢定教室的規劃需嚴格依照技能檢定中心標準,以確保檢定公平性與教育實用性。在「空間配置完整、設備齊全、流程順暢」三大核心之下,茂詮以專業整合與法規理解,幫助教育單位打造出合格、安全且高效的飲調檢定環境。

....................


飲料調製-乙級

1520x840cm以上(含空調設備),需容納18組。
 

考試台800x600cm,可容納18人以上之獨立座位。

 

 

1 長方會議桌 180cmx60cmx75cm含摺疊式桌腳、夾層 42 180cmx60cmx75cm含摺疊式桌腳、夾層
2 座椅 高度45cm 15 高度45cm
3 課桌椅   18 供應檢人繕寫製作報告表
4 儲冰槽 20公斤容量以上、塑膠材質加蓋 4  
5 開飲機 10公升以上,水溫開滾後保持95℃以上 4  
6 果汁機組或冰沙機 具碎冰功能/附延長線(從電源至每一應檢人操作台長度) 4  
7 半自動義式咖啡機 雙口、鍋爐容量10公升以上;咖啡機兩側須有長90公分、寬60公分以上的工作檯面供應檢人操作 3 含一台備用(雙口);調整出水量為30ml、60ml
2.3台皆須開機,並備註第一台、第二台及備用台。
3.每台咖啡機須附
(1)平底不鏽鋼填壓器(Flat Stainless Tamper)*2個
(2)沖煮把手(單杯)Filter holder’s handle (Solo)*2隻
(3)濾器/粉杯(單杯)Solo Filter (7-9克)*2個
(4)沖煮把手(雙杯)Filter holder’s handle (Doppio)*2隻
(5)濾器/粉杯(雙杯)Doppio Filter (14-18克)*2個
(6) 木柄毛刷*2支(20-27 公分)
8 義式咖啡磨豆機 豆槽容量450公克以上 4 1.須設於咖啡機旁
2.含一台備用(4台皆須開機)
3.每台皆須附清潔刷須附2支清
9 恆溫酒窖或恆溫儲酒櫃 儲酒櫃須可存放60瓶以上 1 放置地點鄰近考場,以不影響檢定進行為原則

 

 


 

規範內容以勞動部勞動力發展署技能檢定中心所公告之「各職類技術士技能檢定術科測試場地及機具設備評鑑自評表」為準。


 

  •  
  •  

飲料調製-乙級 茂詮餐飲設備,值得您信賴的餐飲廚房整合專家,茂詮餐飲設備擁有堅強完整的餐飲設備工作團隊,是國內專業的餐飲設備整合專家,茂詮堅持餐飲設備垂直整合生產體系,委託茂詮餐飲設備整合專家,專業的餐飲設備團隊能短時間解決您要的方案,餐飲設備、廚房設備服務,茂詮提供專業技術諮詢,提供客戶最即時的服務。 考試台800x600cm,可容納18人以上之獨立座位。 茂詮廚房設備能夠提供您各式廚房設備型錄,如何整合廚房設備都是一門學問。選擇茂詮廚房設備,能提供精密規劃廚房設備,評估廚房設備事前規劃,茂詮廚房設備也會協助您取得HACCP認證,茂詮廚房設備施工、餐飲設備維修已承造過數千件的專案廚房設備工程,品質一流。


瀏覽方式